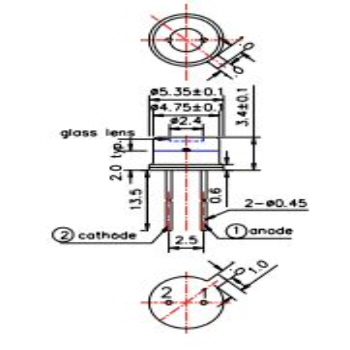
Metal Can Package is available in 7 different sizes, TO-13, TO-32, TO-42, TO-54, TO-56, TO-59, and TO-96. We offer the peak wavelength between 365nm and 1750nm. Please contact us for custom packaging.
선택하신 상품을 장바구니에 담았습니다.
장바구니에 있는 상품과 같이 주문할까요?