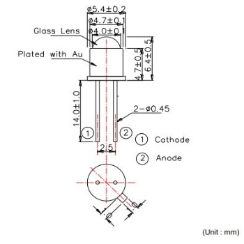
InGaAs PIN-Photodiode
MARUBENI Tech-LED products in this area include PIN photo-diodes as well as photo-transistors: devices that convert light into current. They are used to respond to incident light, or to a source of light which is part of the same circuit or system. PIN photo-diodes are suitable for fast optical switches, photo-detectors, and other applications. Photo- transistors, or light sensitive transistor, are suitable for similar applications depending on wavelength and other intrinsic factors. Both types of optical-sensor serve consumer electronic applications such as smoke detectors, the receivers for infrared remote control devices used to control equipment from televisions to air conditioners, for light measurement, as in camera light meters, or to respond to light levels, as in switching on street lighting after dark. They are often used for accurate measurement of light intensity in science and industry. They both generally have a more linear response than photoconductors. They are also widely used in various medical applications, such as detectors for computed tomography (coupled with scintillators), instruments to analyze samples (immunoassay), and pulse oximeters. PIN diodes are much faster and more sensitive than p–n junction diodes, and hence are often used for optical communications and in lighting regulation. A photo-diode is often combined into a single component with an emitter of light, usually a light-emitting diode (LED), either to detect the presence of a mechanical obstruction to the beam (slotted optical switch), or to couple two digital or analog circuits while maintaining extremely high electrical isolation between them, often for safety (opto-coupler). MARUBENI Tech-LED optical-sensor products can be supplied in: Epitaxial Wafers; unpackaged dice or packaged formats including PTH Lamps, TO-Header hermetic lamps, or SMDs. Die active sensing area ranges from 0.43 x 0.43 to 3.0 x 3.0 mm2. Peak spectral response times range from (nm) 365 to 1650nm and devices can be equipped with visible light cut-off filters. Lens apertures are sized from half angle sensitivity ±10° to ±65°. MARUBENI Tech-LED prides itself on its wide range of optical-sensors available in various standardized formats. If you cannot find what you need, send us and inquiry and we will respond back to you to fulfill your requirements. We also have a variety of products that incorporate LED emitters and optical-sensors in the same discrete package.











