Stem
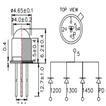
This category of our LED products includes many versions of devices. They all include at least two LEDs of different wavelengths contained within one discrete addressable LED package. The packages can be addressed for single colors in a sequential or pulsed manner, and or in a “blended” constant color or hue. There are Visible, UV & IR LED varieties or combinations offered based on the application. Applications include creating white light without photo- conversion which typically utilizes a Blue LED and Green phosphor; fluorescing specimens within diagnostic or research instrumentation; reflecting various wavelengths off specimens for intrinsic property analysis; various treatment and photo-dynamic therapy applications; different types of photo- catalyzation and/or photo-initiation techniques; sensing, imaging and communications applications, etc. MARUBENI Tech-LED offers various types and can provide custom types made to order for your specific needs. Current combinations include: First we have Near IR and IR wavelength combinations. These combinations of 2, 3 and 4 LEDs. Uses include those for diagnostic, instrumentation, machine vision, wound healing and other types of applications:


























